OEM ЗАПЧАСТИ

  info@automotohub.ru   8 (916) 294-84-77
  О Компании   Оплата и Доставка   Помощь   Обратная связь

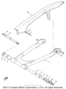
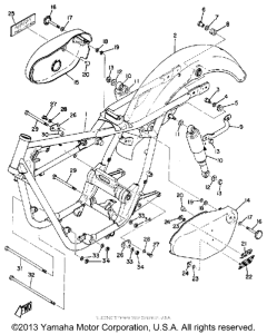
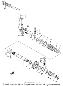
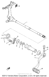
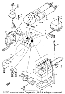
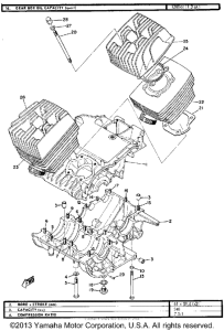
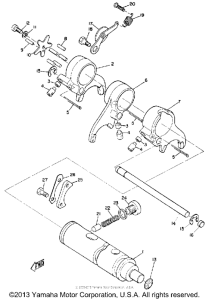
Запчасти для мотоциклов Yamaha R3

Год: 1969  •  Объем двигателя: 300
Запчасти для мотоциклов Yamaha R3
{modalWnd}