OEM ЗАПЧАСТИ

  info@automotohub.ru   8 (916) 294-84-77
  О Компании   Оплата и Доставка   Помощь   Обратная связь

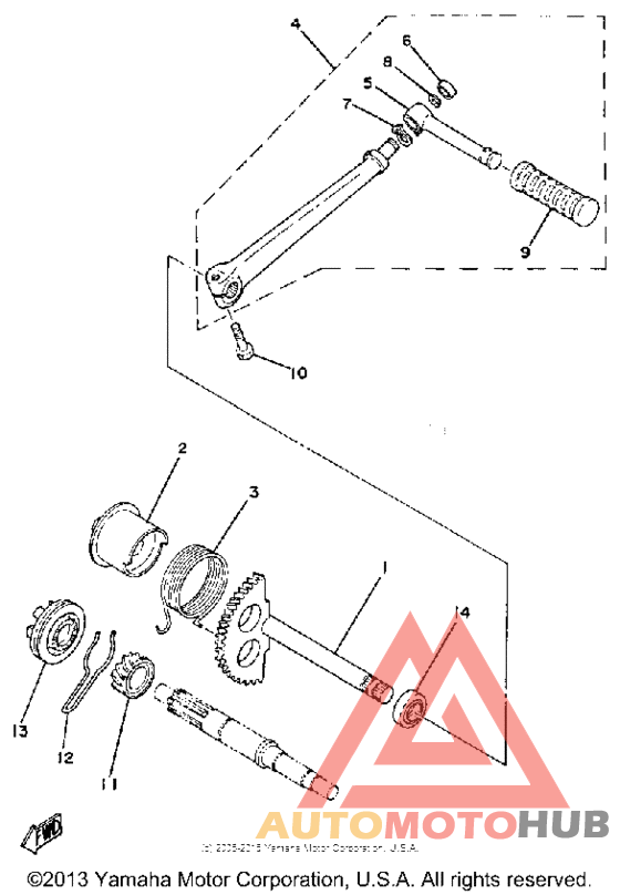
Kick-starter

для Yamaha QT502G
Yamaha
Kick-starter
{modalWnd}