OEM ЗАПЧАСТИ

  info@automotohub.ru   8 (916) 294-84-77
  О Компании   Оплата и Доставка   Помощь   Обратная связь

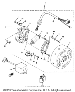
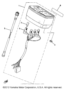
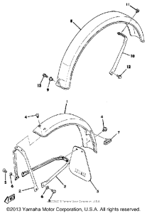
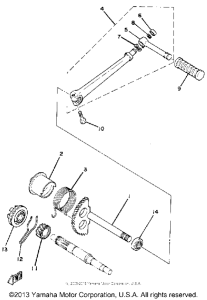
Запчасти для мотоциклов Yamaha QT50F

Год: 1979  •  Объем двигателя: 50
Запчасти для мотоциклов Yamaha QT50F
{modalWnd}