OEM ЗАПЧАСТИ

  info@automotohub.ru   8 (916) 294-84-77
  О Компании   Оплата и Доставка   Помощь   Обратная связь

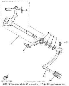
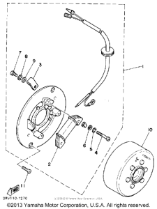
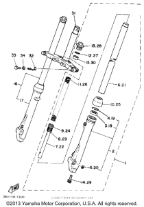
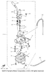
Запчасти для мотоциклов Yamaha PW80D Zinger

Год: 1992  •  Объем двигателя: 80
Запчасти для мотоциклов Yamaha PW80D Zinger
{modalWnd}