OEM ЗАПЧАСТИ

  info@automotohub.ru   8 (916) 294-84-77
  О Компании   Оплата и Доставка   Помощь   Обратная связь

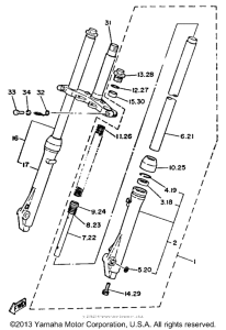
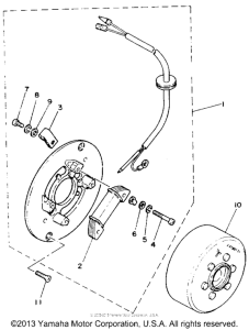
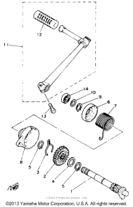
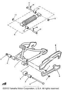
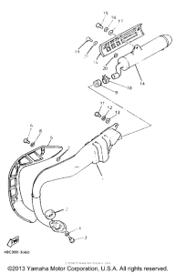
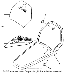
Запчасти для мотоциклов Yamaha PW80F Zinger

Год: 1994  •  Объем двигателя: 80
Запчасти для мотоциклов Yamaha PW80F Zinger
{modalWnd}