OEM ЗАПЧАСТИ

  info@automotohub.ru   8 (916) 294-84-77
  О Компании   Оплата и Доставка   Помощь   Обратная связь

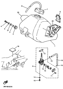
Запчасти для мотоциклов Yamaha PW80 PW80G Zinger

Год: 1995  •  Код модели: 3RV8  •  Объем двигателя: 80
Запчасти для мотоциклов Yamaha PW80 PW80G Zinger
{modalWnd}