OEM ЗАПЧАСТИ

  info@automotohub.ru   8 (916) 294-84-77
  О Компании   Оплата и Доставка   Помощь   Обратная связь

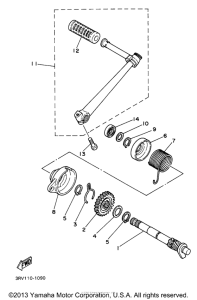
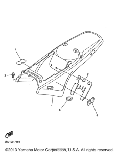
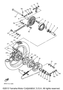
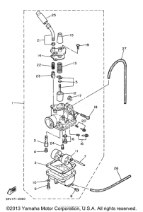
Запчасти для мотоциклов Yamaha PW80J Zinger

Год: 1997  •  Объем двигателя: 80
Запчасти для мотоциклов Yamaha PW80J Zinger
{modalWnd}