OEM ЗАПЧАСТИ

  info@automotohub.ru   8 (916) 294-84-77
  О Компании   Оплата и Доставка   Помощь   Обратная связь

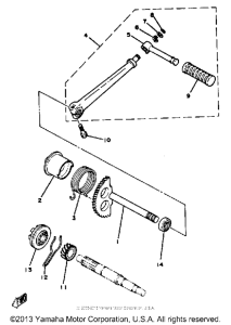
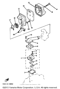
Запчасти для мотоциклов Yamaha PW50H Zinger

Год: 1981  •  Объем двигателя: 500
Запчасти для мотоциклов Yamaha PW50H Zinger
{modalWnd}