OEM ЗАПЧАСТИ

  info@automotohub.ru   8 (916) 294-84-77
  О Компании   Оплата и Доставка   Помощь   Обратная связь

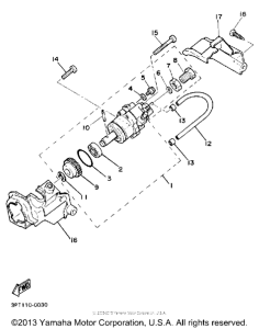
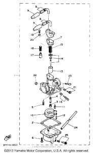
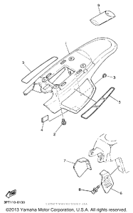
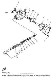
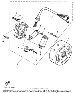
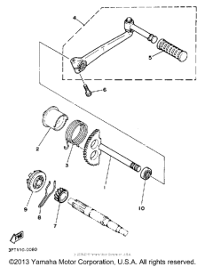
Запчасти для мотоциклов Yamaha PW50A Zinger

Год: 1990  •  Объем двигателя: 50
Запчасти для мотоциклов Yamaha PW50A Zinger
{modalWnd}