OEM ЗАПЧАСТИ

  info@automotohub.ru   8 (916) 294-84-77
  О Компании   Оплата и Доставка   Помощь   Обратная связь

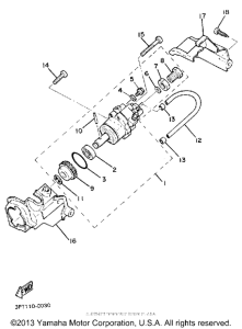
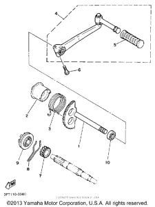
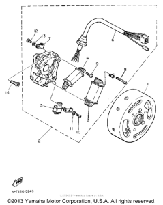
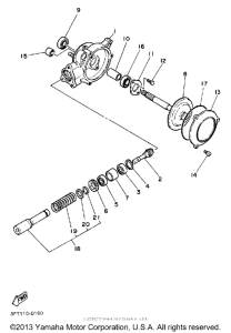
Запчасти для мотоциклов Yamaha PW50B Zinger

Год: 1991  •  Объем двигателя: 50
Запчасти для мотоциклов Yamaha PW50B Zinger
{modalWnd}