OEM ЗАПЧАСТИ

  info@automotohub.ru   8 (916) 294-84-77
  О Компании   Оплата и Доставка   Помощь   Обратная связь

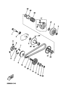
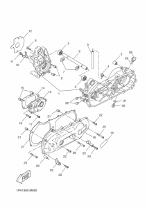
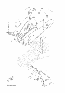
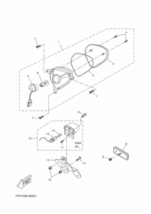
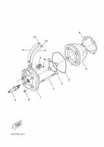
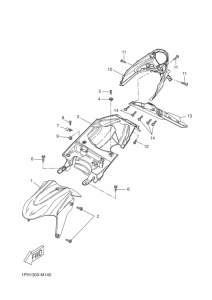
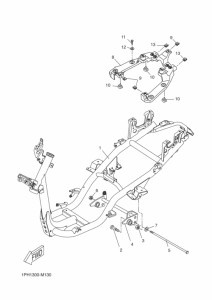
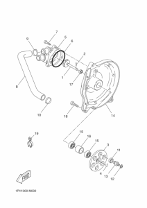
Запчасти для мотоциклов Yamaha NS50 Aerox

Год: 2013  •  Код модели: 1PH1  •  Объем двигателя: 50
Запчасти для мотоциклов Yamaha NS50 Aerox
{modalWnd}