OEM ЗАПЧАСТИ

  info@automotohub.ru   8 (916) 294-84-77
  О Компании   Оплата и Доставка   Помощь   Обратная связь

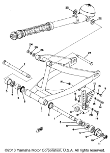
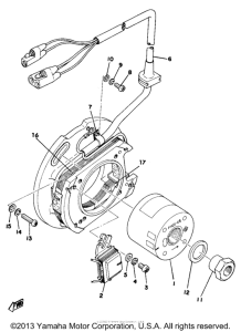
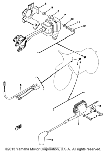
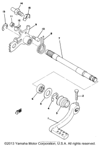
Запчасти для мотоциклов Yamaha MX250B

Год: 1975  •  Объем двигателя: 250
Запчасти для мотоциклов Yamaha MX250B
{modalWnd}