OEM ЗАПЧАСТИ

  info@automotohub.ru   8 (916) 294-84-77
  О Компании   Оплата и Доставка   Помощь   Обратная связь

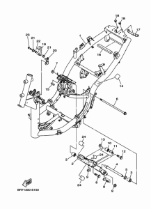
Запчасти для мотоциклов Yamaha MWS125-A Tricity

Год: 2017  •  Код модели: BR74  •  Объем двигателя: 125
Запчасти для мотоциклов Yamaha MWS125-A Tricity
{modalWnd}