OEM ЗАПЧАСТИ

  info@automotohub.ru   8 (916) 294-84-77
  О Компании   Оплата и Доставка   Помощь   Обратная связь

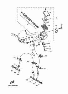
Запчасти для мотоциклов Yamaha MT09 MT-09

Год: 2014  •  Код модели: 1RCD  •  Объем двигателя: 850
Запчасти для мотоциклов Yamaha MT09 MT-09
{modalWnd}