OEM ЗАПЧАСТИ

  info@automotohub.ru   8 (916) 294-84-77
  О Компании   Оплата и Доставка   Помощь   Обратная связь

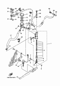
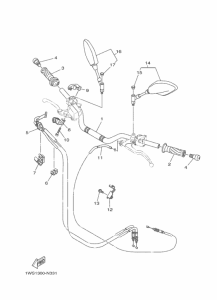
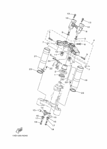
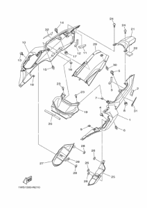
Запчасти для мотоциклов Yamaha MT07A MT-07

Год: 2014  •  Код модели: 1XB7  •  Объем двигателя: 700
Запчасти для мотоциклов Yamaha MT07A MT-07
{modalWnd}