OEM ЗАПЧАСТИ

  info@automotohub.ru   8 (916) 294-84-77
  О Компании   Оплата и Доставка   Помощь   Обратная связь

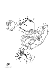
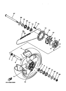
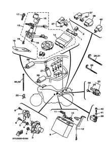
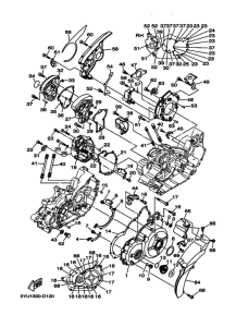
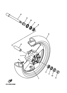
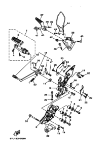
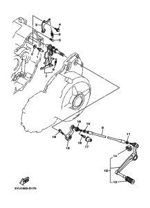
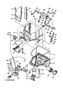
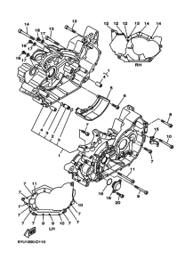
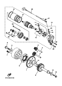
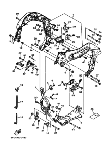
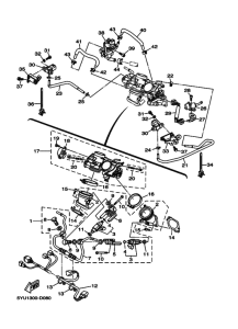
Запчасти для мотоциклов Yamaha MT01 MT-01

Год: 2006  •  Код модели: 5YU3  •  Объем двигателя: 1670
Запчасти для мотоциклов Yamaha MT01 MT-01
{modalWnd}