OEM ЗАПЧАСТИ

  info@automotohub.ru   8 (916) 294-84-77
  О Компании   Оплата и Доставка   Помощь   Обратная связь

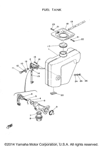
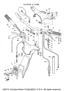
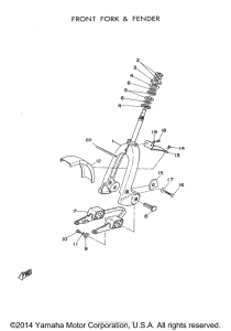
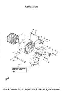
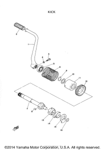
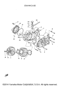
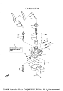
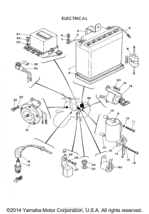
Запчасти для мотоциклов Yamaha MJ2T

Год: 1962  •  Объем двигателя: 200
Запчасти для мотоциклов Yamaha MJ2T
{modalWnd}