OEM ЗАПЧАСТИ

  info@automotohub.ru   8 (916) 294-84-77
  О Компании   Оплата и Доставка   Помощь   Обратная связь

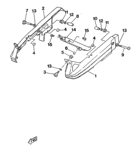
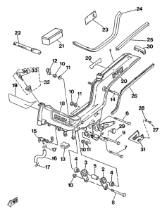
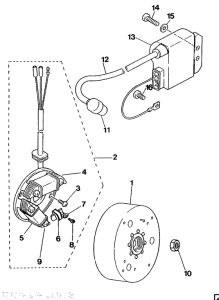
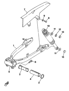
Запчасти для мотоциклов Yamaha ME50 YAMY

Год: 1989  •  Код модели: 3UD1  •  Объем двигателя: 50
Запчасти для мотоциклов Yamaha ME50 YAMY
{modalWnd}