OEM ЗАПЧАСТИ

  info@automotohub.ru   8 (916) 294-84-77
  О Компании   Оплата и Доставка   Помощь   Обратная связь

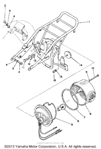
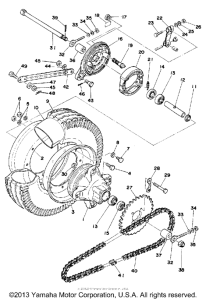
Запчасти для мотоциклов Yamaha LB80IIHC

Год: 1976  •  Объем двигателя: 800
Запчасти для мотоциклов Yamaha LB80IIHC
{modalWnd}