OEM ЗАПЧАСТИ

  info@automotohub.ru   8 (916) 294-84-77
  О Компании   Оплата и Доставка   Помощь   Обратная связь

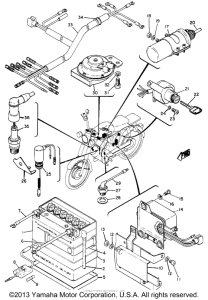
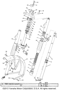
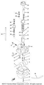
Запчасти для мотоциклов Yamaha L5T

Год: 1969  •  Объем двигателя: 500
Запчасти для мотоциклов Yamaha L5T
{modalWnd}