OEM ЗАПЧАСТИ

  info@automotohub.ru   8 (916) 294-84-77
  О Компании   Оплата и Доставка   Помощь   Обратная связь

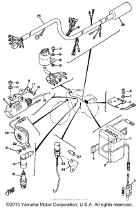
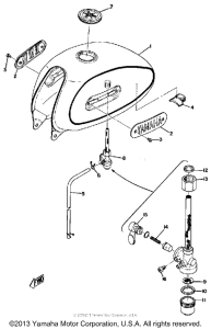
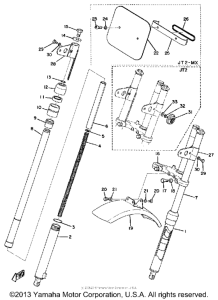
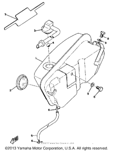
Запчасти для мотоциклов Yamaha JT2

Год: 1972  •  Объем двигателя: 200
Запчасти для мотоциклов Yamaha JT2
{modalWnd}