OEM ЗАПЧАСТИ

  info@automotohub.ru   8 (916) 294-84-77
  О Компании   Оплата и Доставка   Помощь   Обратная связь

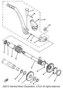
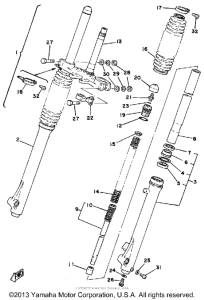
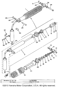
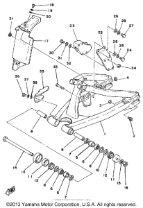
Запчасти для мотоциклов Yamaha IT175H

Год: 1981  •  Объем двигателя: 175
Запчасти для мотоциклов Yamaha IT175H
{modalWnd}