OEM ЗАПЧАСТИ

  info@automotohub.ru   8 (916) 294-84-77
  О Компании   Оплата и Доставка   Помощь   Обратная связь

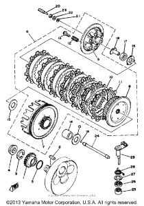
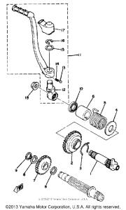
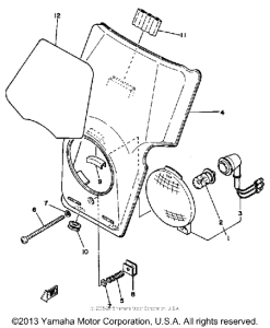
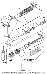
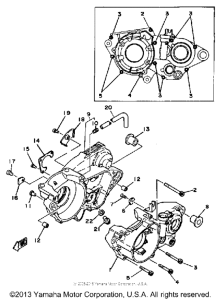
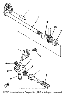
Запчасти для мотоциклов Yamaha IT465J

Год: 1982  •  Объем двигателя: 465
Запчасти для мотоциклов Yamaha IT465J
{modalWnd}