OEM ЗАПЧАСТИ

  info@automotohub.ru   8 (916) 294-84-77
  О Компании   Оплата и Доставка   Помощь   Обратная связь

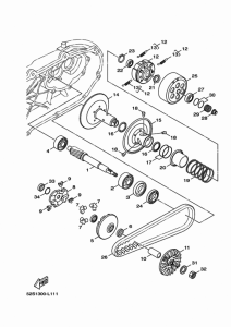
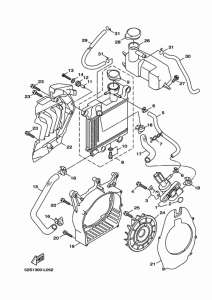
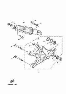
Запчасти для мотоциклов Yamaha HW151 Xenter

Год: 2014  •  Код модели: 52S2  •  Объем двигателя: 155
Запчасти для мотоциклов Yamaha HW151 Xenter
{modalWnd}