OEM ЗАПЧАСТИ

  info@automotohub.ru   8 (916) 294-84-77
  О Компании   Оплата и Доставка   Помощь   Обратная связь

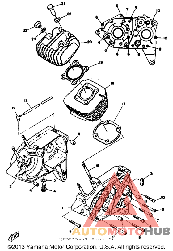
Картер двигателя

для Yamaha HT1B
Yamaha
Картер двигателя
Картер двигателя
#кодцена
1
276-15111-00-00
Картер двигателя
ISO
узнать
цену
узнать цену
2
276-15121-03-00
Картер двигателя
ISO
узнать
цену
узнать цену
3
248-15357-00-00
Уплотнитель резиновый
узнать
цену
узнать цену
4
99530-12016-00
Установочный штифт
узнать
цену
узнать цену
4
99510-12016-00
Установочный штифт
узнать
цену
узнать цену
5
99530-14016-00
Установочный штифт
узнать
цену
узнать цену
6
98580-06545-00
Винт
92503-06045-00
узнать
цену
узнать цену
7узнать
цену
узнать цену
7
92580-06560-00
Винт, плита водомета
92580-06560-00
узнать
цену
узнать цену
8узнать
цену
узнать цену
8
98580-06055-00
Винт, плита водомета
узнать
цену
узнать цену
9узнать
цену
узнать цену
10
98580-06040-00
Винт
90501-06040-00
узнать
цену
узнать цену
11
99530-10014-00
Установочный штифт
узнать
цену
узнать цену
12
583-15371-00-00
Сапун
узнать
цену
узнать цену
13
904-46072-41-00
Деталь Hose (3Ak)
3AK
узнать
цену
узнать цену
14
90340-12005-00
Пробка, винт
узнать
цену
узнать цену
15
90430-12207-00
Прокладка
узнать
цену
узнать цену
16
90116-08065-00
Болт заклепка
узнать
цену
узнать цену
17
3UL-11351-00-00
Прокладка цилиндра
узнать
цену
узнать цену
18
276-11311-70-00
Цилиндр
узнать
цену
узнать цену
18
276-11311-01-00
Цилиндр
узнать
цену
узнать цену
19
276-11181-01-00
Прокладка головки цилиндров
узнать
цену
узнать цену
20
276-11111-70-94
Головка цилиндра
узнать
цену
узнать цену
20
276-11111-01-94
Головка цилиндра
узнать
цену
узнать цену
21
90179-08303-00
Гайка
узнать
цену
узнать цену
22
90201-12362-00
Шайба
узнать
цену
узнать цену
23
903-40140-22-00
Деталь Plug, Straight Scrw (214-11197-
214-11197-
узнать
цену
узнать цену
24
214-11198-01-00
Прокладка
узнать
цену
узнать цену
{modalWnd}