OEM ЗАПЧАСТИ

  info@automotohub.ru   8 (916) 294-84-77
  О Компании   Оплата и Доставка   Помощь   Обратная связь

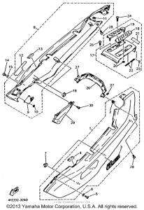
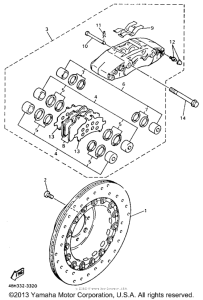
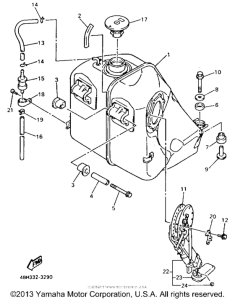
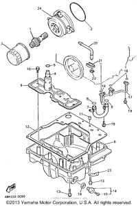
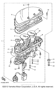
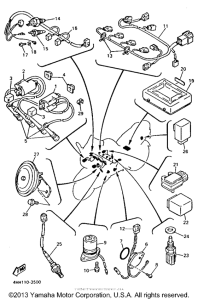
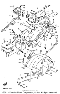
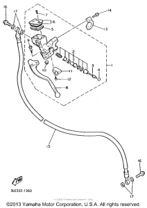
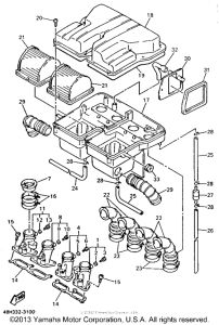
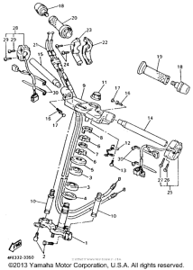
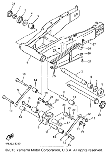
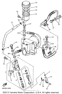
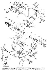
Запчасти для мотоциклов Yamaha GTS1000AEC

Год: 1993  •  Объем двигателя: 1000
Запчасти для мотоциклов Yamaha GTS1000AEC
{modalWnd}