OEM ЗАПЧАСТИ

  info@automotohub.ru   8 (916) 294-84-77
  О Компании   Оплата и Доставка   Помощь   Обратная связь

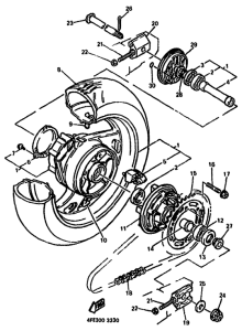
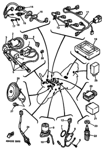
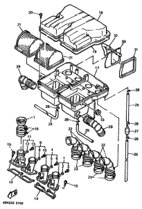
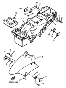
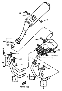
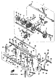
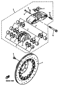
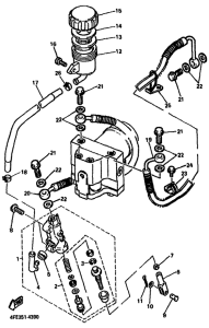
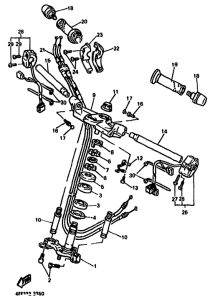
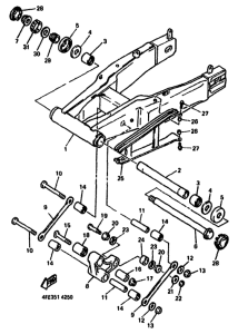
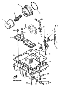
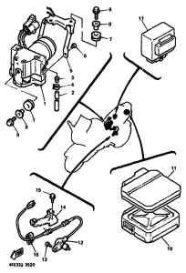
Запчасти для мотоциклов Yamaha GTS1000A

Год: 1994  •  Код модели: 4FV4  •  Объем двигателя: 1000
Запчасти для мотоциклов Yamaha GTS1000A
{modalWnd}