OEM ЗАПЧАСТИ

  info@automotohub.ru   8 (916) 294-84-77
  О Компании   Оплата и Доставка   Помощь   Обратная связь

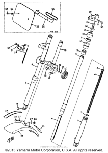
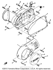
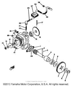
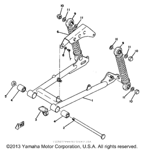
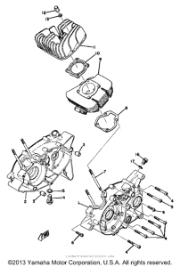
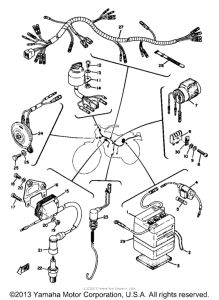
Запчасти для мотоциклов Yamaha GTMX

Год: 1973
Запчасти для мотоциклов Yamaha GTMX
{modalWnd}