OEM ЗАПЧАСТИ

  info@automotohub.ru   8 (916) 294-84-77
  О Компании   Оплата и Доставка   Помощь   Обратная связь

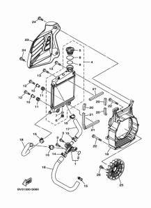
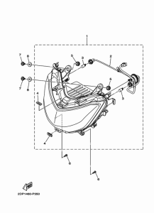
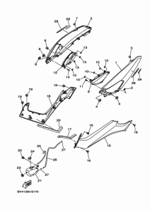
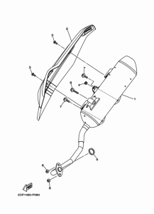
Запчасти для мотоциклов Yamaha GPD150-A NMAX

Год: 2017  •  Код модели: BV41  •  Объем двигателя: 150
Запчасти для мотоциклов Yamaha GPD150-A NMAX
{modalWnd}