OEM ЗАПЧАСТИ

  info@automotohub.ru   8 (916) 294-84-77
  О Компании   Оплата и Доставка   Помощь   Обратная связь

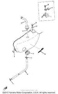
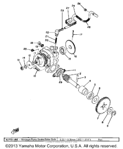
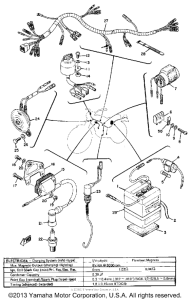
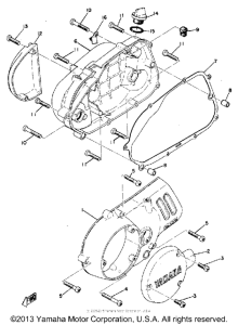
Запчасти для мотоциклов Yamaha GT80MXB

Год: 1975  •  Объем двигателя: 80
Запчасти для мотоциклов Yamaha GT80MXB
{modalWnd}