OEM ЗАПЧАСТИ

  info@automotohub.ru   8 (916) 294-84-77
  О Компании   Оплата и Доставка   Помощь   Обратная связь

Карбюратор

для Yamaha GT80A
Yamaha
Карбюратор
Карбюратор
#кодцена
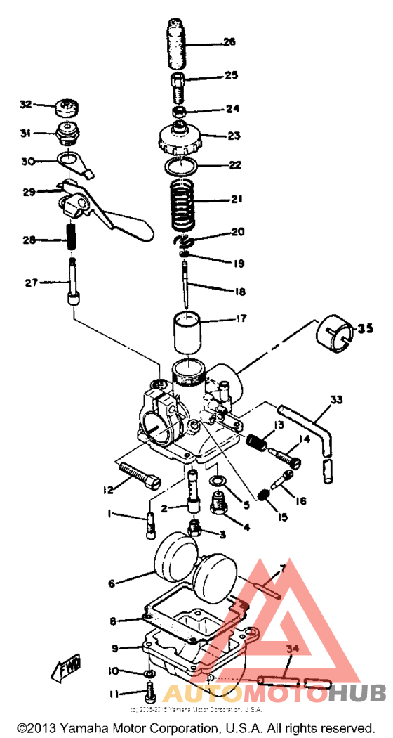
1
367-14342-17-00
Жиклерпроводник
#34
узнать
цену
узнать цену
1
367-14301-61-00
Деталь Carburetor Assembly 1
узнать
цену
узнать цену
2
999-99999-99-00
Деталь Not Available
узнать
цену
узнать цену
2
288-14341-03-00
Главный жиклер
узнать
цену
узнать цену
3
288-14343-48-00
Деталь Jet, Main #96
#96 U.R.
узнать
цену
узнать цену
3
999-99999-99-00
Деталь Not Available
узнать
цену
узнать цену
3
288-14343-47-00
Деталь Jet, Main #94
#94 STD
узнать
цену
узнать цену
3
288-14343-46-00
Деталь Jet, Main #92
#92 U.R.
узнать
цену
узнать цену
4
367-14390-14-00
Клапан
узнать
цену
узнать цену
5
367-14195-00-00
Деталь Washer, Needle Valve
узнать
цену
узнать цену
6
367-14385-00-00
Поплавок
узнать
цену
узнать цену
7
367-14386-00-00
Штифт плавающий
узнать
цену
узнать цену
8
4U1-14384-00-00
Прокладка камеры
узнать
цену
узнать цену
9
367-14381-00-33
Корпус
узнать
цену
узнать цену
9
999-99999-99-00
Деталь Not Available
узнать
цену
узнать цену
9
367-14381-25-00
Деталь Body, Float Chamber (367-1438
367-1438
узнать
цену
узнать цену
10
92990-04100-00
Шайба
узнать
цену
узнать цену
10
92901-04100-00
Шайба
узнать
цену
узнать цену
11узнать
цену
узнать цену
12узнать
цену
узнать цену
12узнать
цену
узнать цену
13
646-14212-00-00
Деталь Spring, Pilot Adjusting
узнать
цену
узнать цену
14
646-14211-02-00
Деталь Screw, Pilot Adjusting
узнать
цену
узнать цену
15
367-14337-00-00
Пружина
узнать
цену
узнать цену
16
396-14323-00-00
Деталь Screw, Air Adjusting
узнать
цену
узнать цену
17
999-99999-99-00
Деталь Not Available
узнать
цену
узнать цену
17
367-14312-10-00
Клапан дросселя 1
узнать
цену
узнать цену
18
29J-1490J-00-00
Ремонтный комплект
узнать
цену
узнать цену
18
288-14336-03-00
Отсутствующе
узнать
цену
узнать цену
19
288-14137-00-00
Зажим
узнать
цену
узнать цену
20
367-14136-02-00
Пружина
367-14136-00
узнать
цену
узнать цену
21
367-14331-00-00
Пружина клапана
узнать
цену
узнать цену
22
999-99999-99-00
Деталь Not Available
узнать
цену
узнать цену
22
367-14126-00-00
Прокладка
узнать
цену
узнать цену
23
367-14168-00-33
Деталь Cap, Mixing Chamber
узнать
цену
узнать цену
23
999-99999-99-00
Деталь Not Available
узнать
цену
узнать цену
23
367-14168-00-00
Деталь Cap, Mixing Chamber
узнать
цену
узнать цену
24
85L-14161-00-00
Гайка кабеля
узнать
цену
узнать цену
24
288-14161-00-00
Гайка кабеля
узнать
цену
узнать цену
25
288-14124-00-00
Деталь Screw, Cable Adjusting
узнать
цену
узнать цену
26
367-14169-00-00
Крышка
узнать
цену
узнать цену
27
999-99999-99-00
Деталь Not Available
узнать
цену
узнать цену
27
367-14371-00-00
Плунжерстартер
узнать
цену
узнать цену
28
367-14335-00-00
Пружина распылителя
узнать
цену
узнать цену
29
367-14375-01-00
Ручка стартера
узнать
цену
узнать цену
30
367-14377-00-00
Стопор
узнать
цену
узнать цену
31
999-99999-99-00
Деталь Not Available
узнать
цену
узнать цену
31
367-14374-00-00
Чашка плинжера
узнать
цену
узнать цену
32
367-14373-00-00
Крышка
узнать
цену
узнать цену
33
367-14348-00-00
Трубка
узнать
цену
узнать цену
34
367-14396-00-00
Трубка
узнать
цену
узнать цену
35
2A3-14359-00-00
Прокладка
узнать
цену
узнать цену
{modalWnd}