OEM ЗАПЧАСТИ

  info@automotohub.ru   8 (916) 294-84-77
  О Компании   Оплата и Доставка   Помощь   Обратная связь

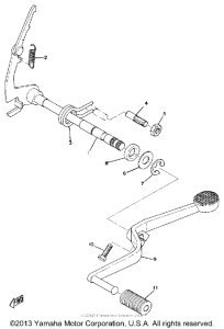
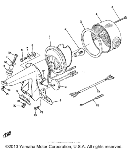
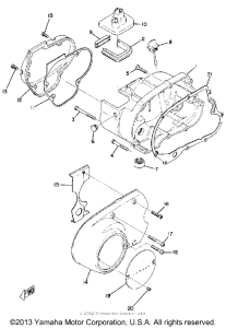
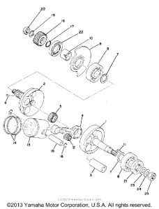
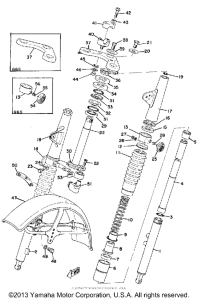
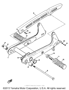
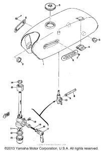
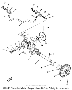
Запчасти для мотоциклов Yamaha G6SB

Год: 1971  •  Объем двигателя: 60
Запчасти для мотоциклов Yamaha G6SB
{modalWnd}