OEM ЗАПЧАСТИ

  info@automotohub.ru   8 (916) 294-84-77
  О Компании   Оплата и Доставка   Помощь   Обратная связь

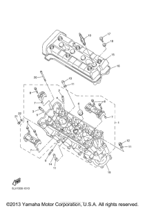
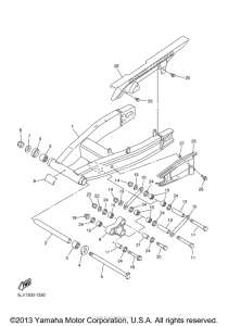
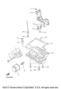
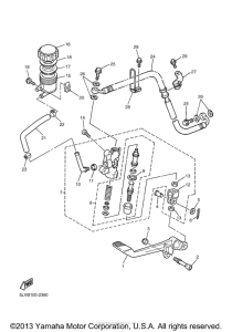
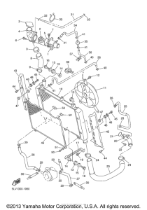
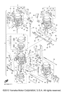
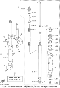
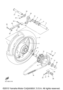
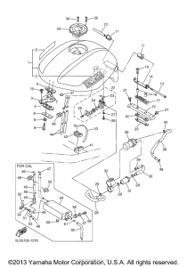
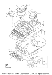
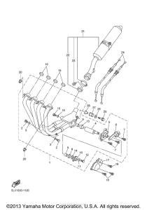
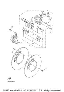
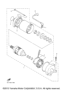
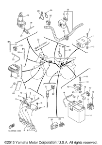
Запчасти для мотоциклов Yamaha FZS1000PC FZ1

Год: 2002  •  Объем двигателя: 1000
Запчасти для мотоциклов Yamaha FZS1000PC FZ1
{modalWnd}