OEM ЗАПЧАСТИ

  info@automotohub.ru   8 (916) 294-84-77
  О Компании   Оплата и Доставка   Помощь   Обратная связь

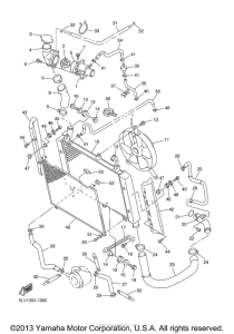
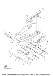
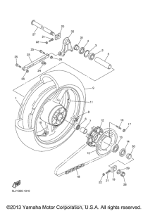
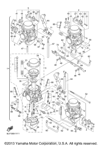
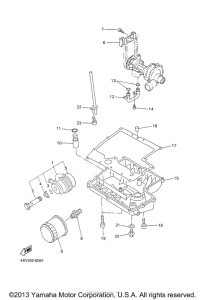
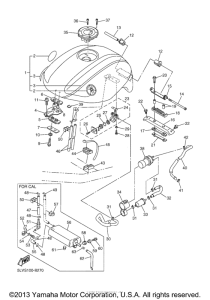
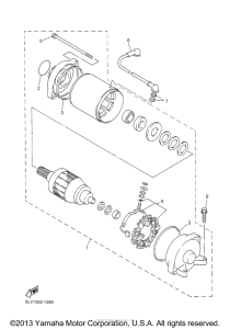
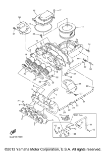
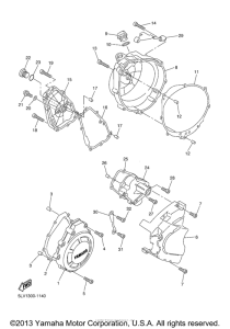
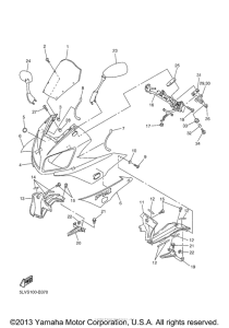
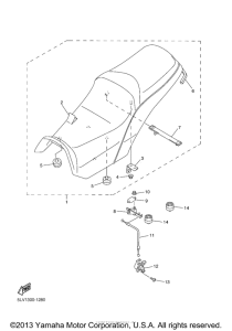
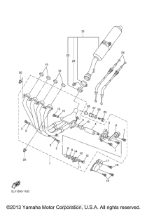
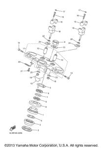
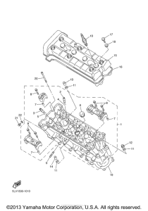
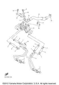
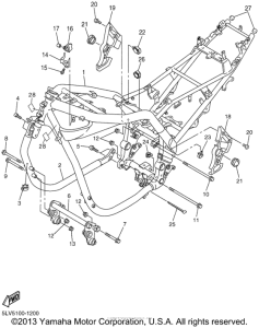
Запчасти для мотоциклов Yamaha FZS1000SPR FZ1

Год: 2003  •  Объем двигателя: 1000
Запчасти для мотоциклов Yamaha FZS1000SPR FZ1
{modalWnd}