OEM ЗАПЧАСТИ

  info@automotohub.ru   8 (916) 294-84-77
  О Компании   Оплата и Доставка   Помощь   Обратная связь

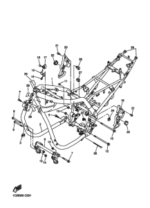
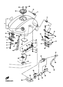
Запчасти для мотоциклов Yamaha FZS1000 FAZER

Год: 2005  •  Код модели: 1C28  •  Объем двигателя: 1000
Запчасти для мотоциклов Yamaha FZS1000 FAZER
{modalWnd}