OEM ЗАПЧАСТИ

  info@automotohub.ru   8 (916) 294-84-77
  О Компании   Оплата и Доставка   Помощь   Обратная связь

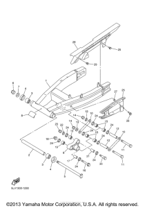
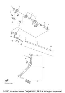
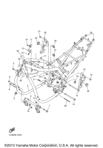
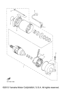
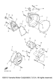
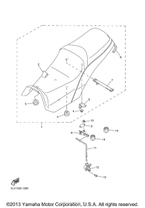
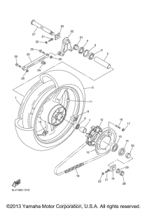
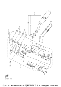
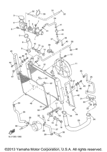
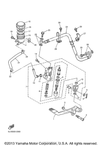
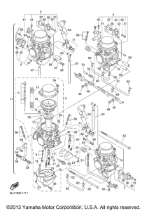
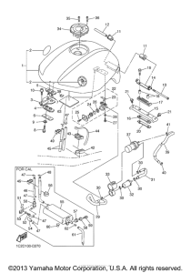
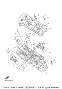
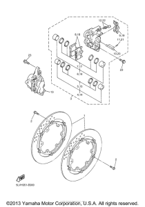
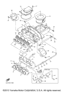
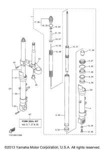
Запчасти для мотоциклов Yamaha FZ1TC FZ1

Год: 2005  •  Объем двигателя: 1000
Запчасти для мотоциклов Yamaha FZ1TC FZ1
{modalWnd}