OEM ЗАПЧАСТИ

  info@automotohub.ru   8 (916) 294-84-77
  О Компании   Оплата и Доставка   Помощь   Обратная связь

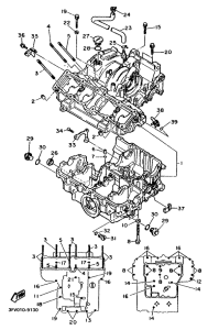
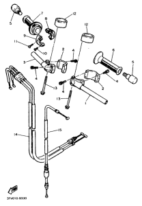
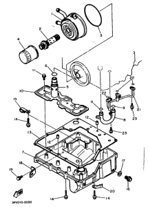
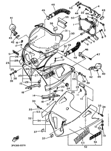
Запчасти для мотоциклов Yamaha FZR750RW

Год: 1989  •  Код модели: 3PH1  •  Объем двигателя: 750
Запчасти для мотоциклов Yamaha FZR750RW
{modalWnd}