OEM ЗАПЧАСТИ

  info@automotohub.ru   8 (916) 294-84-77
  О Компании   Оплата и Доставка   Помощь   Обратная связь

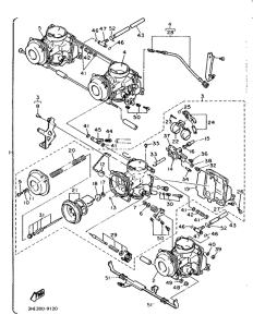
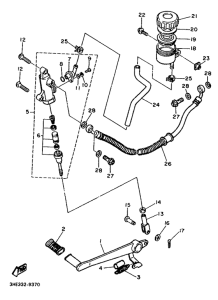
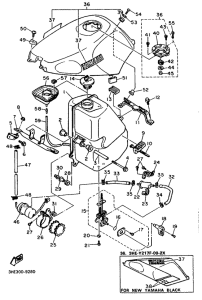
Запчасти для мотоциклов Yamaha FZR600 FZR600 Genesis

Год: 1989  •  Код модели: 3HE1  •  Объем двигателя: 600
Запчасти для мотоциклов Yamaha FZR600 FZR600 Genesis
{modalWnd}