OEM ЗАПЧАСТИ

  info@automotohub.ru   8 (916) 294-84-77
  О Компании   Оплата и Доставка   Помощь   Обратная связь

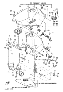
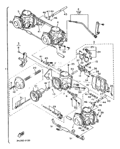
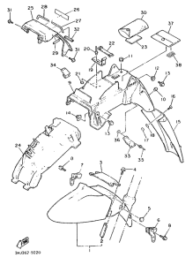
Запчасти для мотоциклов Yamaha FZR500 Genesis

Год: 1990  •  Код модели: 3HJ2  •  Объем двигателя: 500
Запчасти для мотоциклов Yamaha  FZR500 Genesis
{modalWnd}