OEM ЗАПЧАСТИ

  info@automotohub.ru   8 (916) 294-84-77
  О Компании   Оплата и Доставка   Помощь   Обратная связь

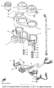
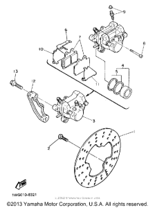
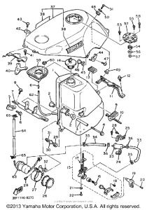
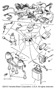
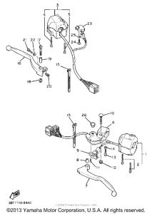
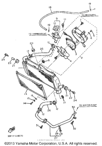
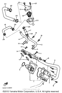
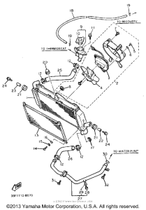
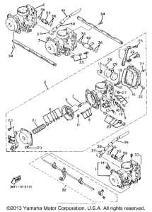
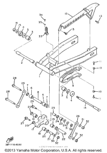
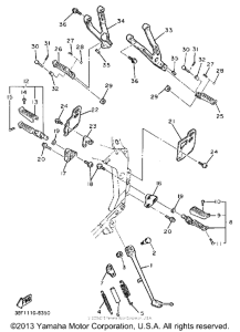
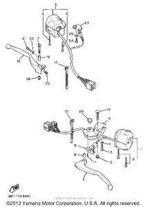
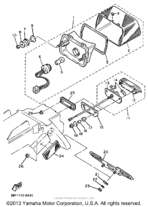
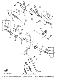
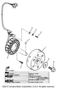
Запчасти для мотоциклов Yamaha FZR400W

Год: 1989  •  Объем двигателя: 400
Запчасти для мотоциклов Yamaha FZR400W
{modalWnd}