OEM ЗАПЧАСТИ

  info@automotohub.ru   8 (916) 294-84-77
  О Компании   Оплата и Доставка   Помощь   Обратная связь

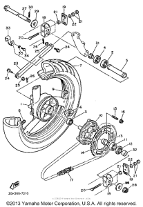
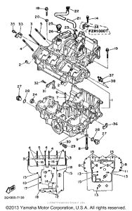
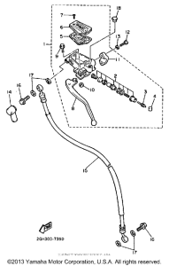
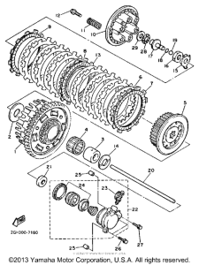
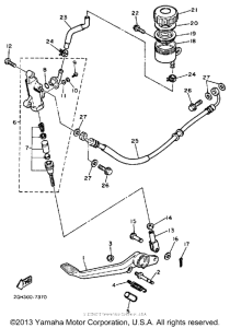
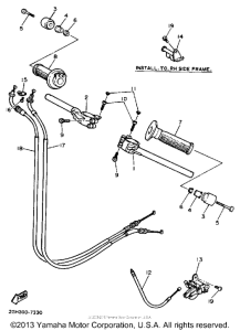
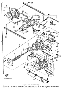
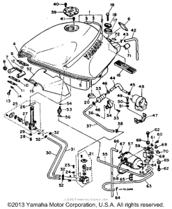
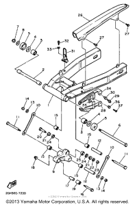
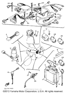
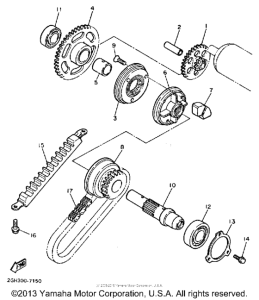
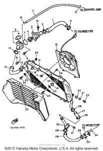
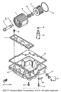
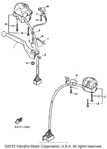
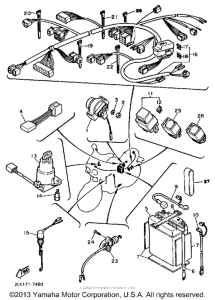
Запчасти для мотоциклов Yamaha FZR1000TC

Год: 1987  •  Объем двигателя: 1000
Запчасти для мотоциклов Yamaha FZR1000TC
{modalWnd}