OEM ЗАПЧАСТИ

  info@automotohub.ru   8 (916) 294-84-77
  О Компании   Оплата и Доставка   Помощь   Обратная связь

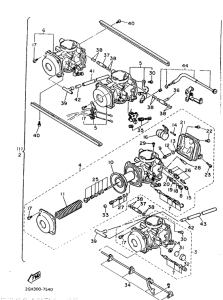
Запчасти для мотоциклов Yamaha FZR1000

Год: 1987  •  Код модели: 2LA  •  Объем двигателя: 1000
Запчасти для мотоциклов Yamaha FZR1000
{modalWnd}