OEM ЗАПЧАСТИ

  info@automotohub.ru   8 (916) 294-84-77
  О Компании   Оплата и Доставка   Помощь   Обратная связь

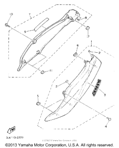
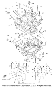
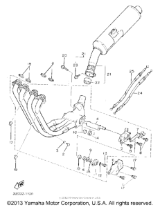
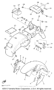
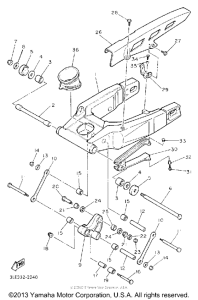
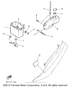
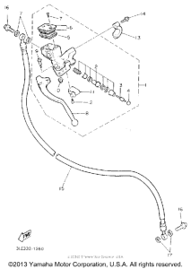
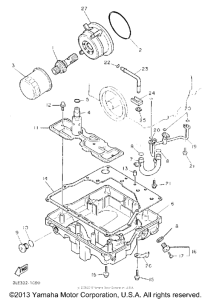
Запчасти для мотоциклов Yamaha FZR1000D

Год: 1992  •  Объем двигателя: 1000
Запчасти для мотоциклов Yamaha FZR1000D
{modalWnd}