OEM ЗАПЧАСТИ

  info@automotohub.ru   8 (916) 294-84-77
  О Компании   Оплата и Доставка   Помощь   Обратная связь

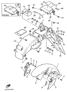
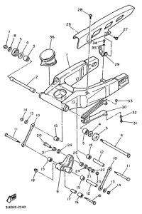
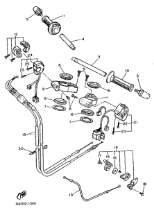
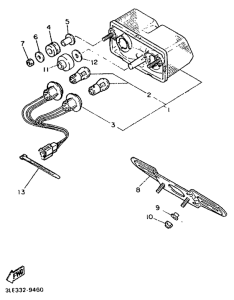
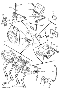
Запчасти для мотоциклов Yamaha FZR1000

Год: 1993  •  Код модели: 3LE5  •  Объем двигателя: 1000
Запчасти для мотоциклов Yamaha FZR1000
{modalWnd}