OEM ЗАПЧАСТИ

  info@automotohub.ru   8 (916) 294-84-77
  О Компании   Оплата и Доставка   Помощь   Обратная связь

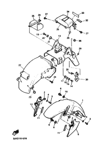
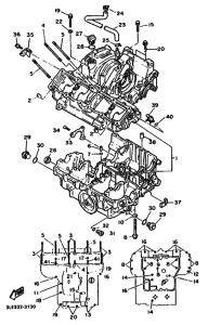
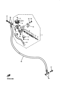
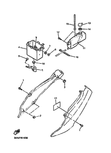
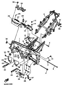
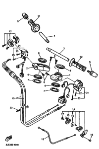
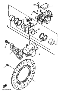
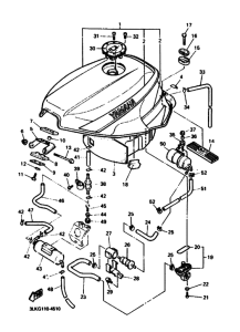
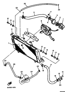
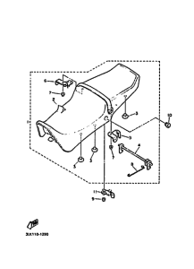
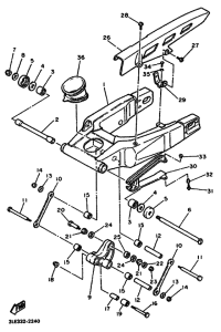
Запчасти для мотоциклов Yamaha FZR1000 FZR1000F

Год: 1994  •  Код модели: 3LKJ  •  Объем двигателя: 1000
Запчасти для мотоциклов Yamaha FZR1000 FZR1000F
{modalWnd}