OEM ЗАПЧАСТИ

  info@automotohub.ru   8 (916) 294-84-77
  О Компании   Оплата и Доставка   Помощь   Обратная связь

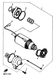
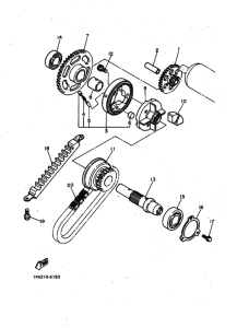
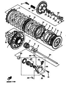
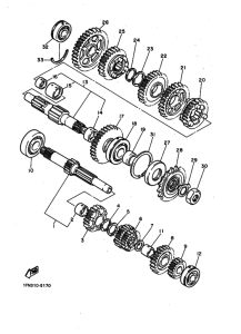
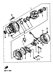
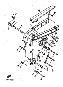
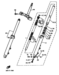
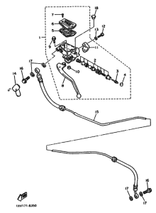
Запчасти для мотоциклов Yamaha FZ750 Genesis

Год: 1988  •  Код модели: 3DW1  •  Объем двигателя: 750
Запчасти для мотоциклов Yamaha  FZ750 Genesis
Выбирайте узел вашей техники:


{modalWnd}