OEM ЗАПЧАСТИ

  info@automotohub.ru   8 (916) 294-84-77
  О Компании   Оплата и Доставка   Помощь   Обратная связь

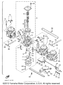
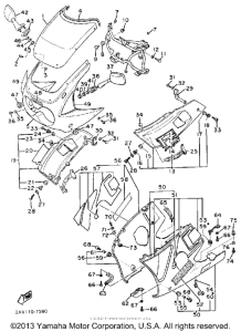
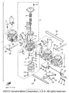
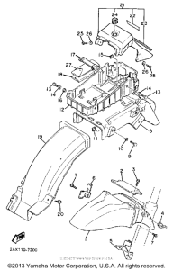
Запчасти для мотоциклов Yamaha FZ600UC

Год: 1988  •  Объем двигателя: 600
Запчасти для мотоциклов Yamaha FZ600UC
{modalWnd}