OEM ЗАПЧАСТИ

  info@automotohub.ru   8 (916) 294-84-77
  О Компании   Оплата и Доставка   Помощь   Обратная связь

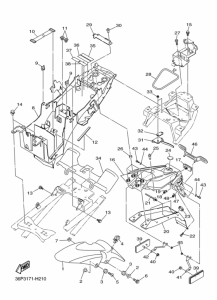
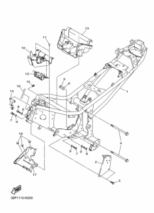
Запчасти для мотоциклов Yamaha FZ6RY FZ6R

Год: 2009  •  Код модели: 36P3  •  Объем двигателя: 600
Запчасти для мотоциклов Yamaha FZ6RY FZ6R
Выбирайте узел вашей техники:


{modalWnd}