OEM ЗАПЧАСТИ

  info@automotohub.ru   8 (916) 294-84-77
  О Компании   Оплата и Доставка   Помощь   Обратная связь

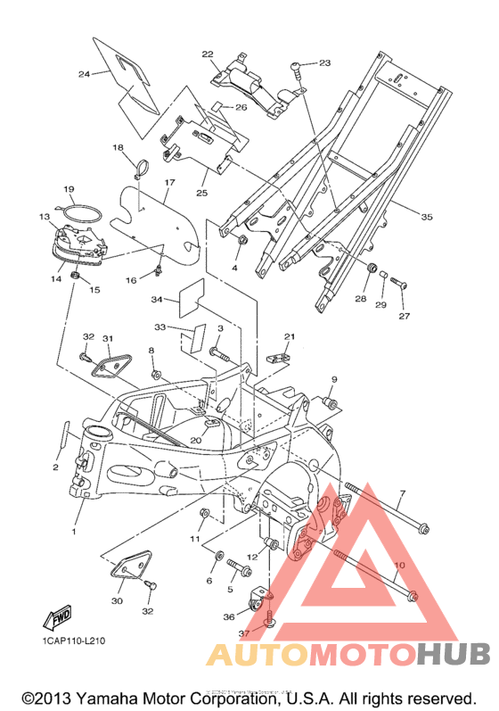
Рама

для Yamaha FZS10DC FZ1
Yamaha
Рама
Рама
#кодцена
1
2D1-21110-23-P0
Деталь Frame Comp
узнать
цену
узнать цену
1
2D1-21110-03-P0
Деталь Frame Comp
узнать
цену
узнать цену
2
2D1-2197E-00-00
Протектор
FR
узнать
цену
узнать цену
3узнать
цену
узнать цену
4
90185-10170-00
Гайка самоконтрящаяся
узнать
цену
узнать цену
4
95604-10200-00
Гайка, самоблокирующаяся
узнать
цену
узнать цену
5узнать
цену
узнать цену
6
90201-10020-00
Шайба
узнать
цену
узнать цену
7
90110-10024-00
Болт под шестигранник
узнать
цену
узнать цену
8
90179-10025-00
Гайка
узнать
цену
узнать цену
9
4C8-21495-00-00
Болт регулятора
узнать
цену
узнать цену
10
90110-10024-00
Болт под шестигранник
узнать
цену
узнать цену
11
90179-10025-00
Гайка
узнать
цену
узнать цену
12
4C8-21495-00-00
Болт регулятора
узнать
цену
узнать цену
13
2D1-2117N-00-00
Облицовка
узнать
цену
узнать цену
14
2D1-2174Y-00-00
Амортизатор
узнать
цену
узнать цену
15
90480-01333-00
Уплотнитель резиновый
узнать
цену
узнать цену
16
90269-06001-00
заклёпка
узнать
цену
узнать цену
17
2D1-2117G-00-00
Протектор
узнать
цену
узнать цену
18
1UA-82591-00-00
Хомут
узнать
цену
узнать цену
19
3YX-21376-00-00
Комплект
узнать
цену
узнать цену
20
2D1-24184-00-00
Дэмпфер соединения
узнать
цену
узнать цену
21
2D1-24185-00-00
Дэмпфер соединения
узнать
цену
узнать цену
22
2D1-21345-01-00
Деталь ブラケツト,タンクフイツテイング
узнать
цену
узнать цену
22
2D1-21345-00-00
Деталь Bracket, Tank Fitting
узнать
цену
узнать цену
23узнать
цену
узнать цену
23узнать
цену
узнать цену
24
2D1-24183-01-00
Дэмпфер соединения
узнать
цену
узнать цену
25
2D1-21287-01-00
Кронштейн регулятора
узнать
цену
узнать цену
26
5YU-21639-00-00
Амортизатор
узнать
цену
узнать цену
27узнать
цену
узнать цену
27узнать
цену
узнать цену
28
90480-14013-00
Уплотнитель резиновый
узнать
цену
узнать цену
29
90387-06026-00
Манжета
узнать
цену
узнать цену
30
2D1-24129-00-00
Крышка боковая
узнать
цену
узнать цену
31
2D1-24139-00-00
Крышка боковая
узнать
цену
узнать цену
32
90269-06003-00
заклёпка
узнать
цену
узнать цену
33
4PX-23426-00-00
Амортизатор
узнать
цену
узнать цену
34
39P-21575-00-00
Валик
узнать
цену
узнать цену
35
2D1-21190-01-P0
Задняя рама
узнать
цену
узнать цену
36
2D1-27425-02-00
Кронштейн подножки 2
узнать
цену
узнать цену
37
901-0508X-15-00
Болт с шайбой
узнать
цену
узнать цену
37узнать
цену
узнать цену
{modalWnd}