OEM ЗАПЧАСТИ

  info@automotohub.ru   8 (916) 294-84-77
  О Компании   Оплата и Доставка   Помощь   Обратная связь

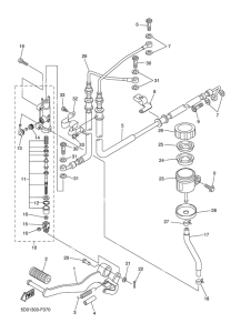
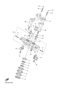
Запчасти для мотоциклов Yamaha FZ1-SA FZ1 FAZER (S-TYPE ABS)

Год: 2007  •  Код модели: 5D01  •  Объем двигателя: 1000
Запчасти для мотоциклов Yamaha FZ1-SA FZ1 FAZER (S-TYPE ABS)
{modalWnd}